
单由令直通内丝电动球阀产品特色
■寿命高达50万次 ※1
■体积小巧
■可选手轮操作
■全通径球孔
使用场合
■工业自控设备、仪表产品
■智能化节水控制器具、节水系统执行终端
■环保、小排量、给排水、水处理工程
认证:ISO9001
※1 此数值为实验室环境测试所得,具体根据使用情况有差异。
| 主要部件示意图 | 主要部件材质选择列表 |
|
序号 |
部件名称 |
可选材质 |
数量 |
|
1 |
阀盖 |
304 / 316L |
1 |
|
2 |
阀球 |
304 / 316L / PPO /特殊耐磨球 |
1 |
|
3 |
阀体 |
304 / 316L |
1 |
|
4 |
连接架 |
PA66 |
1 |
|
5 |
下盖 |
PC合金 ※1 |
1 |
|
6 |
上盖 |
PC合金 ※1 |
1 |
|
7 |
视窗 |
透明PC |
1 |
|
8 |
手轮 ※2 |
POM |
1 |
|
9 |
标签 |
PC |
1 |
※1 在使用过程中注意PC材料的耐腐特性,对含有甲苯、二甲苯、酮类、二氯甲烷、
三氯甲烷、氯仿等有机溶剂场合,要注意避免与其直接或间接接触。
※2 30SJ系列无手轮。
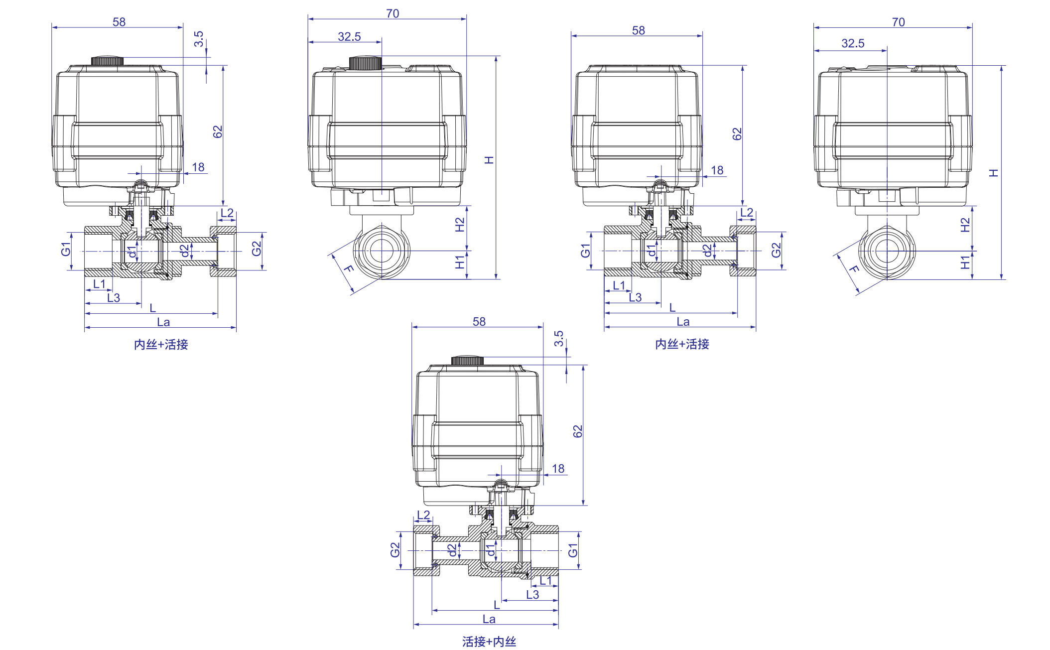
|
30S外形尺寸图【DN10-DN20】 |
30SJ外形尺寸图【DN10-DN20】 |

阀体尺寸(单位:mm)
| 口径 | 接口形式 | G1=G2 | d1 | d2 | L1 | L2 | L3 | L | La | F | H1 | H2 | H | W (kg) | |
| H(30S) | H(30SJ) | ||||||||||||||
| DN10 | 内丝+活接 | G3/8" | 10.0 | 8 | 12 | 8.5 | 25.0 | 58.5 | 66.6 | 20 | 12.5 | 19.75 | 97.75 | 94.25 | - |
| 活接+内丝 | 55.5 | 63.6 | |||||||||||||
| DN15 | 内丝+活接 | G1/2" | 14.0 | 12 | 13 | 10.8 | 28.5 | 68.0 | 78.0 | 27 | 16.5 | 21.25 | 103.25 | 99.75 | - |
| 活接+内丝 | 63.5 | 73.5 | |||||||||||||
| DN20 | 内丝+活接 | G3/4" | 18.5 | 15 | 16 | 11.0 | 35.0 | 79.0 | 89.1 | 32 | 21.5 | 25.75 | 112.75 | 109.25 | - |
| 活接+内丝 | 71.0 | 81.1 | |||||||||||||
注:
1.零件尺寸公差参考按GB/T 1804-2000 m级。
2.装配公差±2mm。
※1.接口螺纹可选NPT、G等,订货时需注明。
※2.介质温度为100℃-150℃时,需加高温支架,产品总高度=H+33mm。
※3.介质温度为150℃-200℃时,需加高温支架,产品总高度=H+56mm。
注意:
1.因批次问题数据可能有小范围变化,请以实物为准,如有变更恕不另行通知!
2.对于安装空间受限或对外尺寸有严格要求的情况,请联系相关销售人员!
|
运转时间 |
5-7秒(高速型1-2秒) |
|
回转角度 |
90°± 2°【B3,BD3可选180°】 |
|
使用寿命 |
7万次(有刷电机),50万次(无刷电机) ※1 |
|
防护等级 |
IP67,F型(防潮加装除湿加热器) |
|
手动功能 |
可选 ※2 |
|
环境温度 |
-20℃至45℃ (其他环境温度可定制) ※3 |
|
环境湿度 |
相对湿度≤85%(不凝露) 建议IP67 |
|
相对湿度>85% 建议F型 |
|
|
介质温度 |
0-100℃ (120℃ / 150℃ 可定制) |
|
介质压力 |
1.0MPa |
注:
※1 此数值为实验室环境测试所得,具体根据使用情况有差异。
※2 手动功能必须断电使用,详见使用说明书。
※3 环境温度>45℃或<-20℃可定制。
①在-40℃环境温度下,使用前需要通电15分钟以上(建议30分钟),环境温度越高,通电时间可以适当减小。
②长期在-40℃环境温度下使用,需要对电动阀(执行器+阀体)进行保温处理:比如在电动阀四周增加伴热带,如果环境温度在-15℃以上,可以取消。
■ 手动功能必须断电使用
■ 将手动按钮提起,再缓慢旋转手轮至所需阀位
■ 示窗中指针上的红线与管道平行为开,与管道垂直为关
■ 使用手动功能完毕须将手动按钮复位,以便电动功能正常使用
注:
1.您须根据合同指标和要求使用电动阀门,在有人身伤害和重大财产损失危险的使用场合,必须有相应的应急排险措施。KLD公司仅负责所供阀门自身价值的有限责任。
2.在执行中发生争议时,应友好协商解决,不能协商解决的,可以向对方所在地法院起诉。
3.资料如有变更恕不另行通知。