
对夹式金属蝶阀特色
■寿命高达2万次 ※1
■无刷电机,稳定可靠
■可选择内置断电复位
■可选择高速6s/1s
■意式超薄,安装方便
使用场合
■环保、给排水、水处理工程
■暖通、洗浴行业
认证:ISO9001
※1 此数值的实验室环境测试所得具体根据使用情况有差异。
| 主要部件示意图 | 主要部件材质选择列表 |

|
序号 |
部件名称 |
可选材质 |
数量 |
|
1 |
蝶板密封 |
EPDM / FPM / NBR |
1 |
|
2 |
蝶板 |
304 / 316 |
1 |
|
3 |
阀体 |
铸铝 |
1 |
|
4 |
防水电缆接头 |
尼龙 / 黄铜镀镍 |
1 |
|
5 |
下盖 |
PC合金 ※ / 压铸铝 |
1 |
|
6 |
螺钉 |
304 |
4 |
|
7 |
上盖 |
PC合金 ※ / 压铸铝 |
1 |
|
8 |
指示窗 |
透明PC |
1 |
|
9 |
手动轴 |
304 |
1 |
|
10 |
标签 |
PC |
3 |
|
11 |
手动轴油封 |
NBR丁腈 |
1 |
|
12 |
六角扳手固定架 |
耐热ABS |
1 |
|
13 |
六角扳手 |
工具钢 |
1 |
※ 在使用过程中注意PC材料的耐腐特性,对含有甲苯、二甲苯、酮类、二氯甲烷、
三氯甲烷、氯仿等有机溶剂场合,要注意避免与其直接或间接接触。
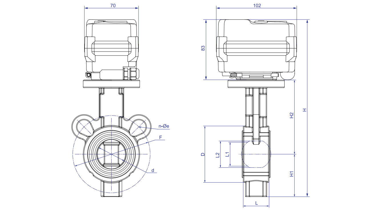
| 外形尺寸图【DN32】 |

主要尺寸(单位:mm)
| 口径 | d | D | F | L | L1 | L2 | H1 | H2 | H | n-Фe | W (kg) |
| DN32 | 37 | 73 | 100 | 33.4 | 31 | 34.3 | 55 | 96 | 234 | 2-18 | - |
注:1.零件尺寸公差参考按GB/T 1804-2000 m级。
注:2.装配公差±2mm。
注意:1.因批次问题数据可能有小范围变化,请以实物为准,如有变更恕不另行通知!
2.对于安装空间受限或对尺寸有严格要求的情况,请联系相关销售人员!
|
阀球转动角度 |
90°± 2° |
|
使用寿命 |
2万次 |
|
防护等级 |
IP67 As Per En60529/GB4208-2008(所有方向) |
|
手动功能 |
配套六角扳手(必须在断电情况下使用) |
|
指示窗 |
|
|
环境温度 |
-15℃至45℃ (其他环境温度可定制) |
|
环境湿度 |
相对湿度≤85%(不凝露) ----IP67型产品适用 |
|
5-95%RH 相对湿度,无结露(不同使用环境可分级定制) |
|
|
介质温度 |
0-100℃ |
注: 1.您须根据合同指标和要求使用电动阀门,在有人身伤害和重大财产损失危险的使用场合,
必须有相应的应急排险措施。KLD公司仅负责所供阀门自身价值的有限责任。
2.在执行中发生争议时,应友好协商解决,不能协商解决的,可以向对方所在地法院起诉。
3.资料如有变更恕不另行通知。